您好,欢迎访问淘继电器网!请
杰盈   杰盈信号继电器JY4078F-S-DC5V-2C
杰盈信号继电器JY4078-S-DC5V-2C典型用途:通讯设备,办公设备,电脑周边设备,安全报警系统,医疗设备等。特点...
价格: 立即咨询
订购热线:13420918881

宁波杰盈电器科技有限公司创立于2008年,专业制造继电器,以及高精度五金冲压件、注塑件等。品种规格齐全。是一家集研发、制...

杰盈信号继电器JY4078-S-DC5V-2C

1608888479571666.jpg

83096c46bae182397b01d5b9f59d6f3a_16cd21dcef213fe457d4d14f7136ecfc.jpg

用途:通讯设备,办公设备,电脑周边设备,安全报警系统,医疗设备等。

特点

█  3A超小型继电器

█  体积小重量轻,适用于密集安装

█  具有两组转换触点

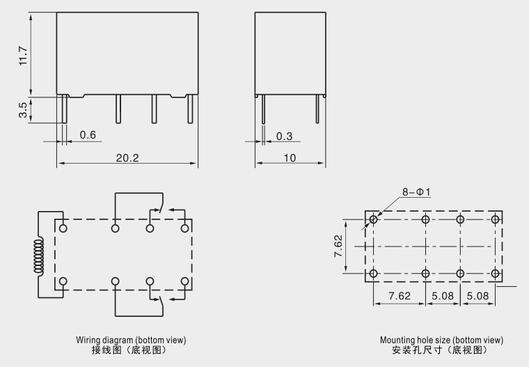
█  外形尺寸(20.0X10.0X11.6)mm

性能参数

1679303309164.png

外形尺寸(mm)

1679303528440.png




名称 类型 操作
PDF.pdf pdf1 预览 下载
立即下单

下单产品:

*下单数量:
*用货数量:
*目标货期:
*联系人:
*联系电话:
微信:
QQ:
*收货地址:
*验证码:
立即询价

下单产品:

*联系人:
*联系电话:
微信:
QQ:
*验证码:

品类齐全

省心省力,一站购齐

技术支持

选型询价,快速响应

货期保障

多仓直发,货期无忧

低价正品

正品保障,诚信服务