
汽车继电器订购代码
TLV4-12V-1A-F
1 2 3 4
1、汽车继电器型号:TLV4
2、线圈额定电压:12V、24V
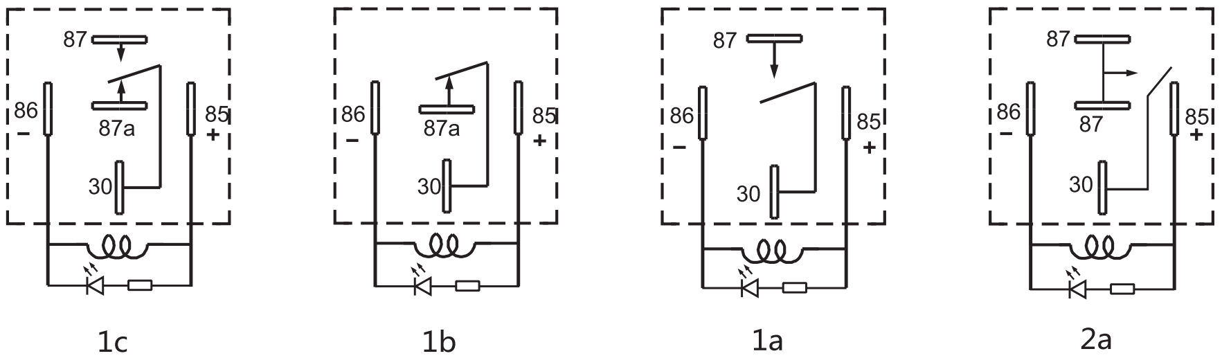
3、汽车继电器脚位:1A:Form H 1B:Form D 1C:Form Z 2A:Form 2H
4、F:可插铁背
汽车继电器线圈参数(at 20℃)

汽车继电器触点参数

汽车继电器性能参数

汽车继电器设计参数

汽车继电器安装图



汽车继电器电路图
带LED(L1型)

带LED(L2型)

| 名称 | 类型 | 操作 |
|---|---|---|
PDF.pdf
|
pdf1 |
品类齐全
省心省力,一站购齐
技术支持
选型询价,快速响应
货期保障
多仓直发,货期无忧
低价正品
正品保障,诚信服务