您好,欢迎访问淘继电器网!请
登录
立即注册
个人中心
意见反馈
明你集采
网站首页
400-626-7319
申请入驻
明你集采
所有产品分类
首页
参数选型
HOT
替换选型
应用选型
明你精选
采购中心
电磁继电器
需求中心
获取样品
批量询价
品牌一览
供应中心
店铺列表
产品列表
技术专区
技术专区
评测专区
行业资讯
您的当前位置:
首页
>>
采购中心
>>
功率继电器
宝橙
宝橙BS6-5-AST-P 宽脚
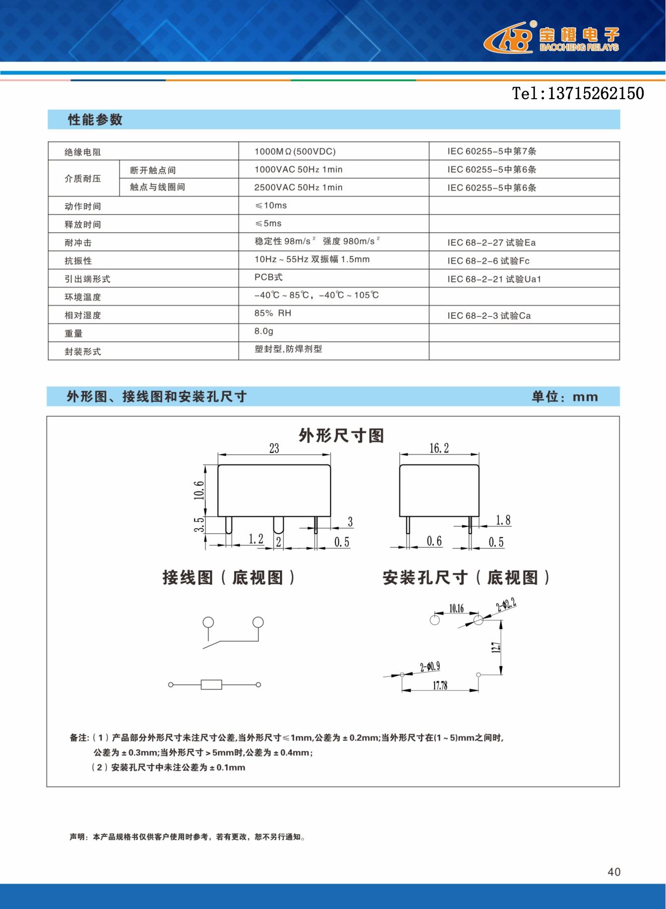
高负载能力:16A,最高20A高灵敏度:200mW印制板式扁平低矮型塑封型和防焊剂型外形尺寸:23.0*16.2*10....
商品型号:
BS6-5-AST-P 宽脚
外形尺寸:
23X16.2X10.6
I/O耐压(VAC):
2500VAC
接点负载(A):
16A
接点形式:
1A(一组常开)
线圈电压:
5VDC
线圈功耗:
0.36W
引出端方式:
PCB
价格:
登录后查看价格
立即咨询
订购热线:
13420918881
产品分类
信号继电器
功率继电器
工业继电器
汽车继电器
高压继电器
固态继电器
光耦继电器
磁簧继电器
配件及其它
需求中心
产品信息
文档下载
询价
下单
名称
类型
操作
PDF.pdf
pdf1
预览
下载
立即下单
下单产品:
*
下单数量:
*
用货数量:
*
目标货期:
*
联系人:
*
联系电话:
微信:
QQ:
*
收货地址:
*
验证码:
立即询价
下单产品:
*
联系人:
*
联系电话:
微信:
QQ:
*
验证码:
品类齐全
省心省力,一站购齐
技术支持
选型询价,快速响应
货期保障
多仓直发,货期无忧
低价正品
正品保障,诚信服务
电话
全国服务热线
400-626-7319
QQ
微信
回顶部